当前位置:
首页
>
专题
>
行政执法公示专栏
>
事前公示
>
行政执法文书样本
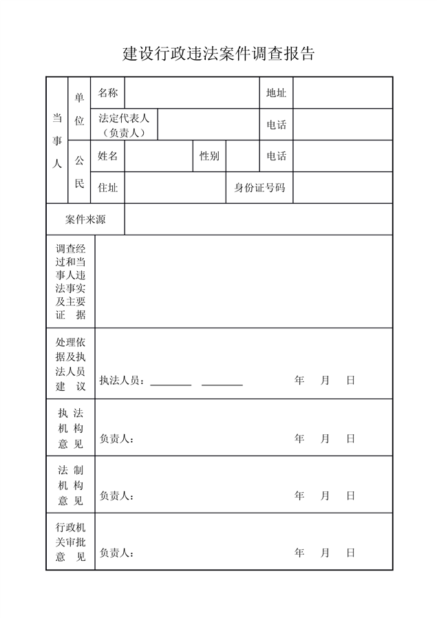
建设行政违法案件调查报告
来源:县住建局
2025-02-12 15:42
|
|
|
|