当前位置:
首页
>
专题
>
行政执法公示专栏
>
事前公示
>
行政裁量权基准
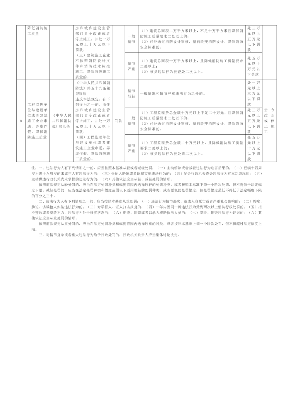
关于印发《岳阳市建设工程消防行政处罚自由裁量基准》的通知(岳建发[2022]12号)
来源:县住建局
2025-04-10 08:31
|
|
|
|