当前位置:
首页
>
政府信息公开
>
乡镇街道
>
上塔市镇
>
财政信息
索 引 号:111/2021-1859558
发布机构:上塔市镇
生成日期:2021-09-25 16:12:47.0
公开日期:2021-09-25
公开方式:政府网站
公开范围:全部公开
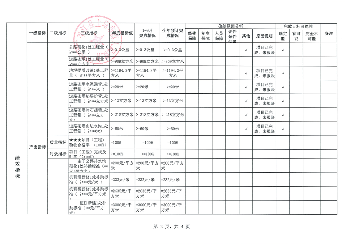
上塔市镇人民政府2021年项目监控表
来源:上塔市镇
2021-09-25 16:12
|
|
|
|