当前位置:
首页
>
政府信息公开
>
县直部门
>
县政府办
>
财政信息
索 引 号:43060000/2021-1797998
发布机构:平江县人民政府
生成日期:2021-01-20 09:28:26.0
公开日期:2021-01-20
公开方式:政府网站
公开范围:全部公开
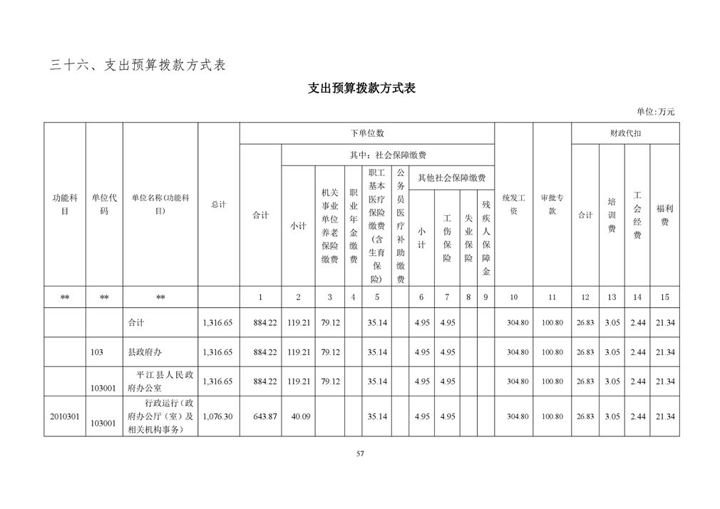
平江县人民政府办公室2021年度部门预算
来源:县政府办
2021-01-20 09:28
|
|
|
|