当前位置:
首页
>
政府信息公开
>
县直部门
>
县住房和城乡建设局
>
行政执法公示
>
事后公开
>
行政检查
索 引 号:73/2023-2092324
发布机构:县住建局
生成日期:2023-05-18 08:03:59.0
公开日期:2023-05-18
公开方式:政府网站
公开范围:全部公开
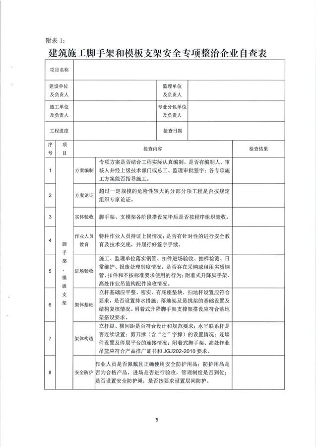
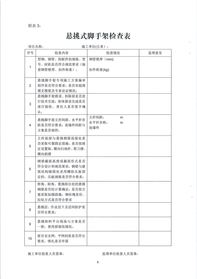
关于开展全县建筑工程支模架、脚手架专项整治工作的通知(平建质安监发[2023]10号)
来源:县住建局
2023-05-18 08:03
|
|
|
|