当前位置:
首页
>
政府信息公开
>
县直部门
>
县城管和综合执法局
>
行政执法公示
>
事前公示
>
行政执法事项清单
索 引 号:76/2022-1928813
发布机构:县城管局
生成日期:2022-04-13 14:53:39.0
公开日期:2022-04-13
公开方式:政府网站
公开范围:全部公开
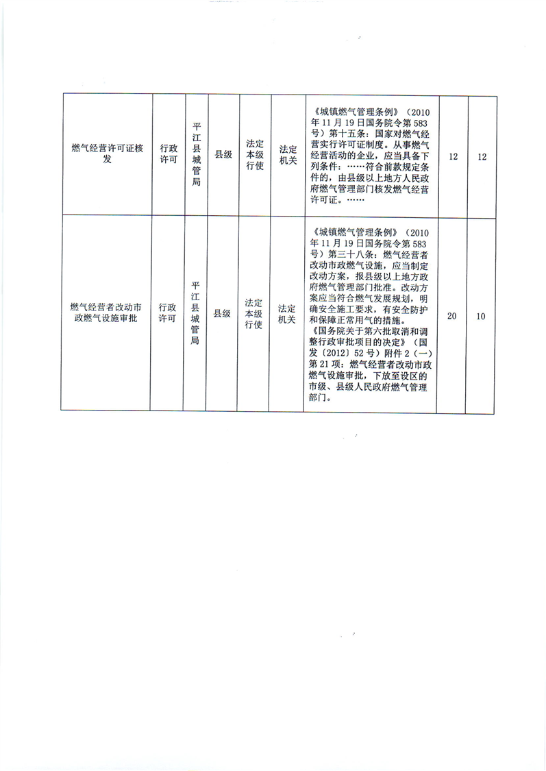
平江县城市管理和综合执法局权力清单
来源:县城管局
2022-04-13 14:53
|
|
|
|