当前位置:
首页
>
政府信息公开
>
县直部门
>
县数据局
>
财政信息
索 引 号:43060000/2023-2098043
发布机构:平江县人民政府
生成日期:2023-08-10 09:11:14.0
公开日期:2023-08-10
公开方式:政府网站
公开范围:全部公开
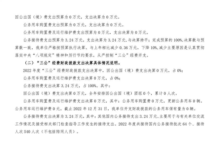
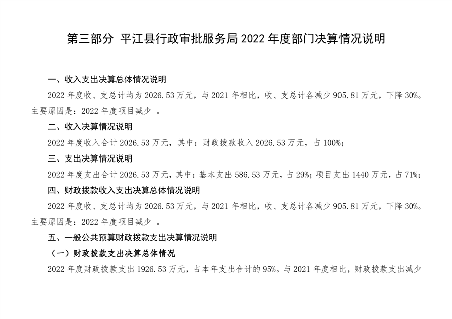
平江县行政审批服务局2022年部门决算
来源:县行政审批服务局
2023-08-10 09:11
|
|
|
|