平江县政府门户网站
政府信息公开
政府信息公开指南
政府信息公开制度
法定主动公开内容
部门信息公开目录
政府信息公开年报
2023年
2022年
2021年
2020年
2019年
依申请公开
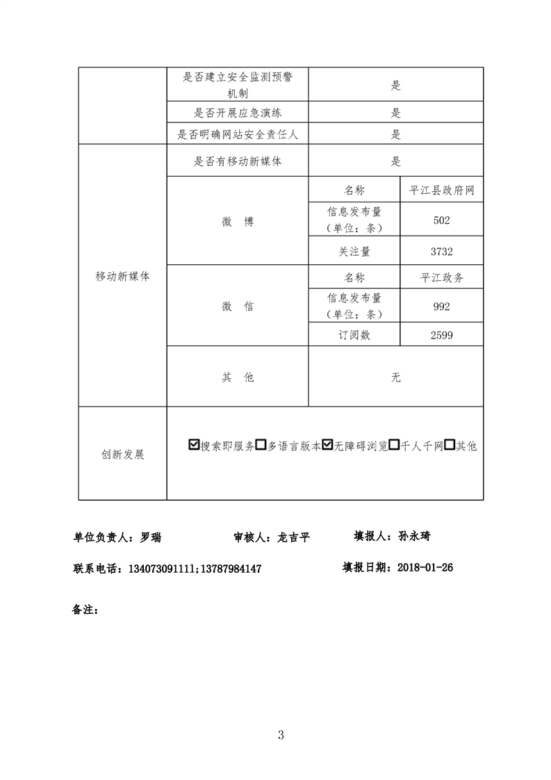
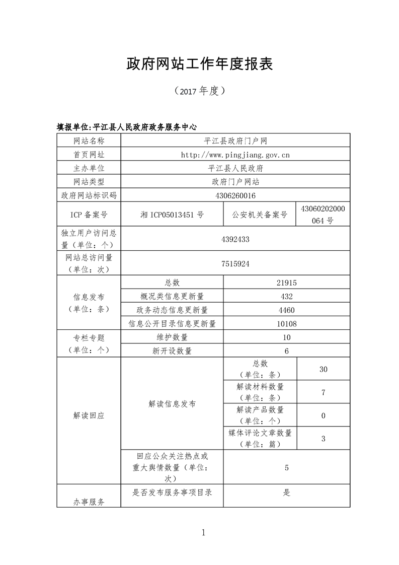
平江县政府门户网站工作2017年度报表
发布时间:2018-01-30 12:02
浏览次数