当前位置:
首页
>
政府信息公开
>
法定主动公开内容
>
重点领域信息公开
>
环境保护
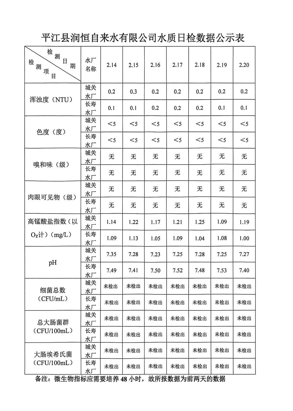
平江县润恒自来水有限公司水质日检数据公示表2.20
来源:县自来水公司
2026-02-20 09:14
|
|
|
|