当前位置:首页 > 数据发布 > 统计数据

现代服务业统计分类

来源:县统计局 2023-08-11 10:59
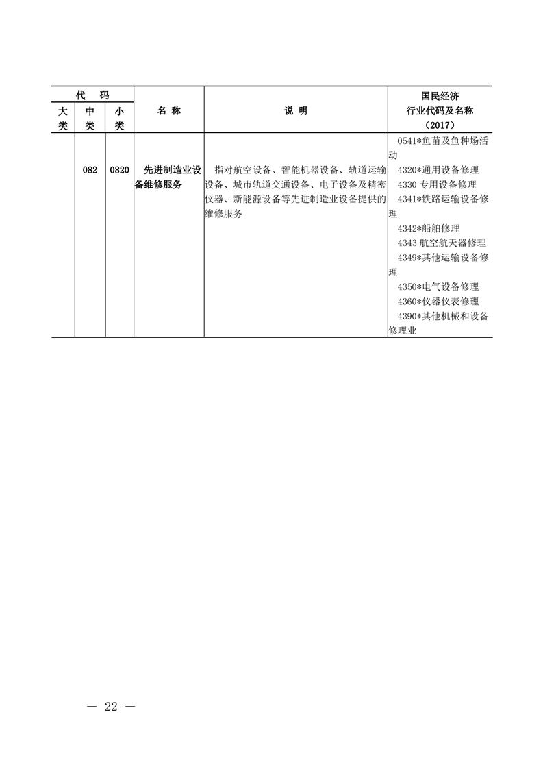
| | | |