湖南省财政厅关于下达2024年中央农业经营主体能力提升资金的通知
详细信息
| 公开具体内容 |
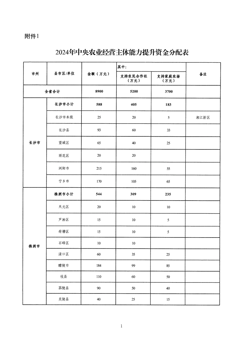
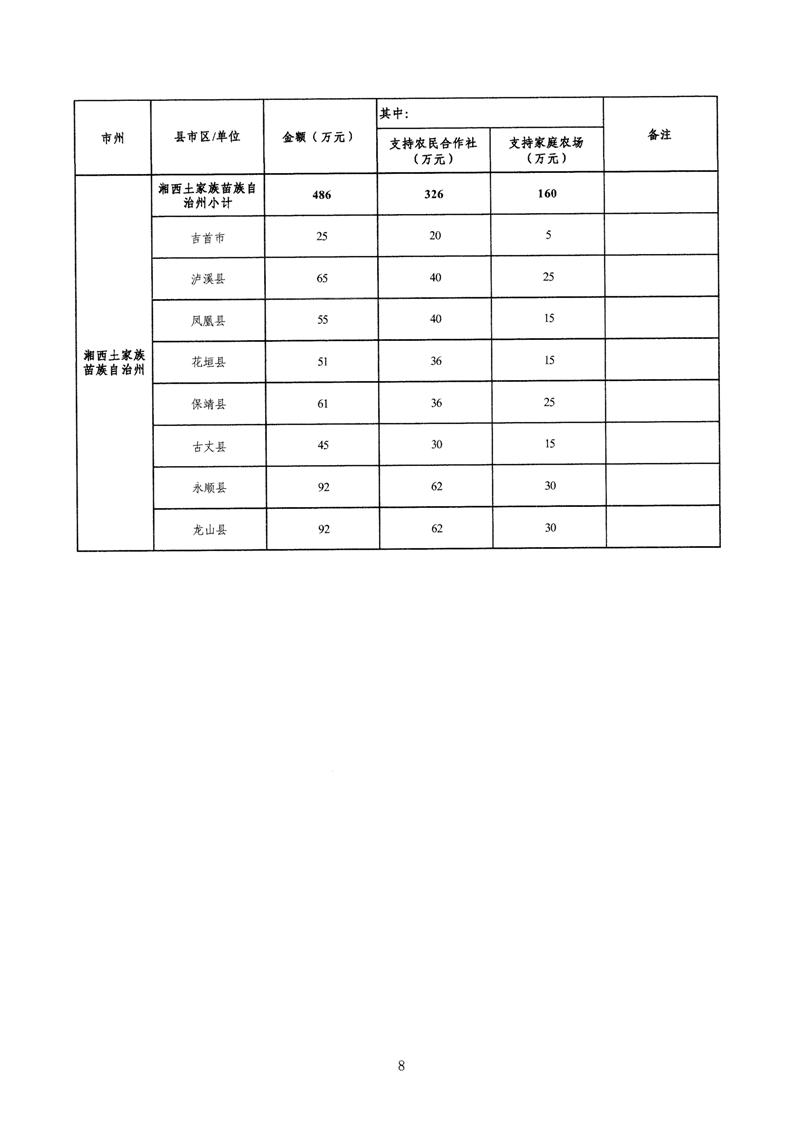
相关市州、省直管县市财政局: 根据《财政部关于提前下达2024年农业相关转移支付资金预算的通知》(财农〔2023〕87号)、《财政部关于下达2024年农业经营主体能力提升资金预算的通知》(财农〔2024〕17号)文件精神,经研究,现下达你市(州、省直管县)2024年中央农业经营主体能力提升资金 万元,中央资金收入列“1100252农林水共同财政事权转移支付收入”科目,支出功能科目列“2130122农业生产发展”,政府预算支出经济科目“509对个人和家庭的补助”。请严格按照《农业相关转移支付资金管理办法》(财农〔2023〕11号)和《湖南省财政厅农业农村厅关于印发中央农业转移支付资金管理细则的通知(湘财农〔2024〕1号)规定加强资金使用监管,提高资金支出绩效。 附件:1.2024年中央农业经营主体能力提升资金分配表 2.2024年中央农业经营主体能力提升资金绩效目标表 湖南省财政厅 2024年7月1日
|
||
基本信息
| 所属领域 | 涉农补贴 | ||
| 一级事项 | 农业生产发展资金 | 二级事项 | 支持新型农业经营主体 |
| 公开时限 | 信息形成或者变更之日起20个工作日内。法律、法规对政府信息公开的期限另有规定的,从其规定。 | 公开方式 | 主动 |
| 公开依据 | 《农业生产发展资金管理办法》 | ||
| 公开主体 | 平江县农业农村局 | ||
| 公开层级1 | 县级 | 公开渠道和载体 | 政府网站 |
- 详细信息
- 基本信息








