当前位置:
首页
>
政务公开
>
财政资金
>
县直部门预决算
>
平江县数据局
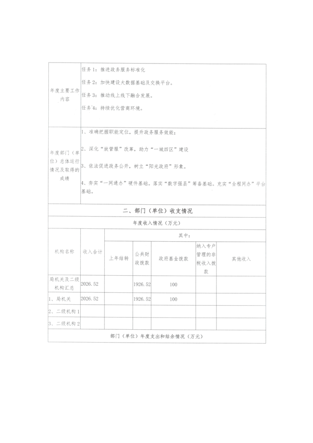
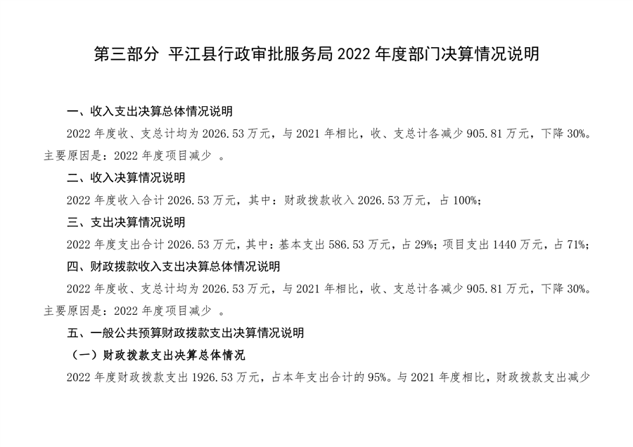
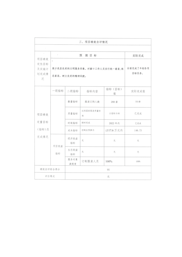
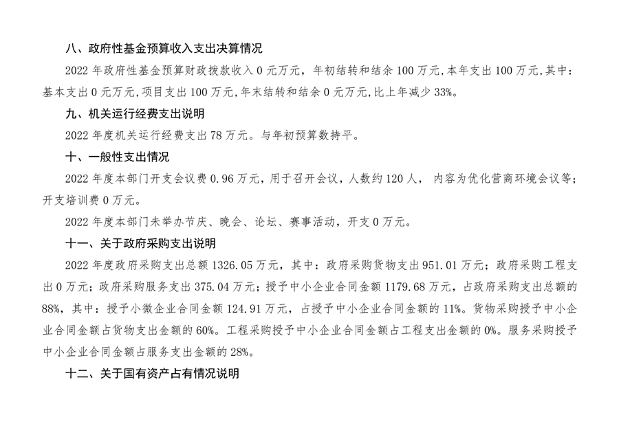
平江县行政审批服务局2022年部门决算
来源:县行政审批服务局
2023-08-09 10:26
|
|
|
|